OM-H

Quarter-turn (Part-turn) Electric Actuators / OM Series
OM-H

  • Torque:300 Nm/2655 in-lb
  • Motor Power:60 W
  • Manual Override:Handwheel
  • Mounting Flange:ISO 5211 F07/F10
  • Speed:24 sec/90° (110vac@60 Hz, 30% duty cycle)
  • Weight:15 kg/33.1 lb
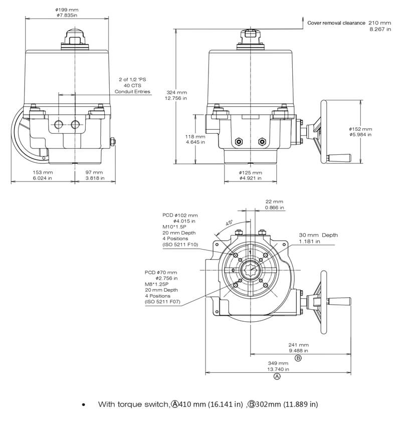
Item OM-H
Torque (Nm) 300
Torque (in-lb) 2655
Size of Output Drive (mm) 🟐22
Depth of Output Drive (mm) 30
Flange (ISO 5211) F07 / F10
Operating Speed (sec / 90°) 24
Manual Override Hand-Wheel
Weight (kg) 15
Weight (lb) 33.1

Enclosure

  • Polyester powder-coated aluminum alloy.
  • NEMA type 4X, IP66 & IP67, intended for outdoor use.
  • ISO 12944-2 corrosivity category C3. 

Motor

  • Insulation class F
  • Built-in thermal protector prevents the motor from overheating and burnout.
  • Thermal trip temperature:
    AC motor: 125±5℃ (257±9℉)
    DC motor: 90±5℃ (194±9℉)

Duty Cycle

  • Standard: 30% duty cycle
  • Optional: 75% duty cycle

Position Indication

  • A mechanical position indicator is located on the top of the actuator.

Manual Override

  • Non-clutch design allows for manual operation without needing a lever, clutch, or brake when the power goes out.
  • When electric motor is operating, the hand-wheel will not rotate to ensure personal safety.

Gear Train

  • High-alloy steel planetary gears are used, and a self-locking function is provided.
  • The gears are lubricated for life with high-temperature grease.

Conduit Entry

  • Standard: 1/2” PS
  • Optional: 3/4” PF, 3/4” NPT, 1/2” NPT, M20

Voltages

  • 12V DC
  • 24V AC/DC 
  • 110-120V AC
  • 220-240V AC, 1 Phase
  • 220-240V AC, 3 Phase (Modulating control units require the optional Local Control Unit)
  • 380-415V AC, 3 Phase (Modulating control units require the optional Local Control Unit)
  • 440-480V AC, 3 Phase (Modulating control units require the optional Local Control Unit)

Travel Angle

  • Standard: 0° to 90°
  • Optional: up to 270°

Operating Condition

  • Ambient temperature: -30℃ to +65℃ (-22℉ to +149℉)
  • Relative humidity: 30% to 95%
  • CE
  • CSA

Anti-condensation Heater

The heater warms actuators to prevent lubricant freezing and moisture damage.
● Not recommended if ambient temperature exceeds 35℃ (95℉).
● For large day/night or seasonal temperature variations, use with a thermostat is recommended.

Heater Thermostat

Heater thermostat switches off the heater when the internal temperature of actuators is higher than 25±5˚C (77±9˚F).

Auxiliary Limit Switches

Actuators come standard with two limit switches, LS1 for fully-open and LS2 for fully-closed positioning. Two auxiliary limit switches (LS3 & LS4) are optional for fully-open and fully-closed position feedback.

Analog Output

Recommended to use with a floating control actuator for position indication.
● Analog output: 0-20 mA, 4-20 mA, 0-5 V, 0-10 V, 1-5 V, and 2-10 V
* This image shows the 110/220V AC version.

Modulating Control

A proportional control unit, including analog input (AI), analog output (AO), and a 5kΩ potentiometer.
● Analog input: 4-20 mA, 1-5 V, and 2-10 V
● Analog output: 4-20 mA and 2-10 V
* This image shows the 110/220V AC version.

Extended Duty Cycle Kit (including motor)

Extended Duty Cycle Kit (including motor)
This option is recommended for extending the actuator's duty cycle.
* This image shows the 110/220V AC version.

Potentiometer

Recommended to use with a floating control actuator to output signal for position indication.
● Two resistance values, 1k ohm or 5k ohm for selection.

Local Control Unit (LCU)

Two rotary selector switches are provided, LOCAL/REMOTE and CLOSE/OFF/OPEN. In LOCAL mode, the valves are directly being controlled in the field and can be operated to close, stop or open by using CLOSE/OFF/OPEN selector switch.
● Standard: IP65
● Optional: IP67
● Three phase power supply units with modulating control must be optioned with LCU.

Torque Switches

The torque switch option protects the actuator from overload. When preset torque is reached, the switch stops operation to prevent damage.
● It must be ordered with the actuator and is factory‑installed, calibrated, and tested.

Time Delay Controller

The option can adjust the actuator speed (running time) from standard to 30s, 60s and so on (Max. 200s) according to user’s need. It is available for OM-2 to OM-13, AC 220V,1-PH and OM-2 to OM-8, 110VAC actuators.

Chain wheel drive

The option can convert the hand-wheel override to a chain driven override in application of actuator mounted at a distance above the floor. It is available for OM-2 to OM-13,OM-F,OM-G, OM-H.

Junction box

The option can be connected all wires by the user without removing actuator cover and it is available for OM-2 to OM-13, OM-F, OM-G OM-H.

Isolation relay module

when a set of control wire or switch needs to control two or more actuators at the same time, the module is recommended.

Communication protocols

Modbus RTU RS485

Available for:
※OM-2 to 6, F, G, H 110-120VAC/1-PH, 30% duty cycle

※OM-2 to 8, F, G, H 220-240VAC/1-PH, 30% duty cycle
※OM-2 to 8, F, G, H 110-240VAC/1-PH, 75% duty cycle
※OM-9 to 13, 110-240VAC/1-PH, 50% duty cycle