OM-1

Quarter-turn (Part-turn) Electric Actuators / OM Series
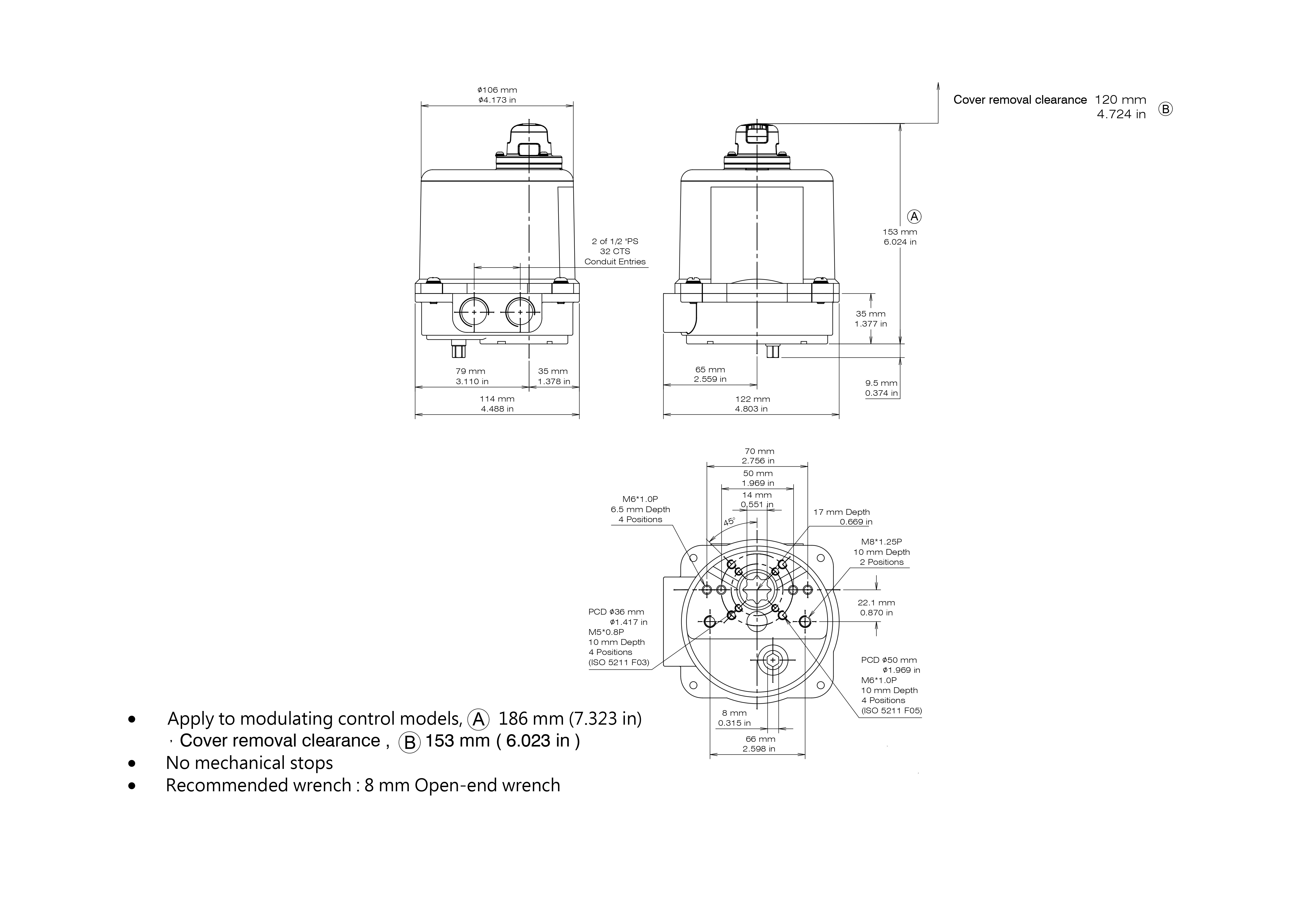
OM-1

  • Torque: 35 Nm/310 in-lb
  • Motor Power: 10 W
  • Manual Override: Lever
  • Mounting Flange: ISO 5211 F03/F05
  • Speed: 12 sec/90° (110VAC@60 Hz, 30% duty cycle)
  • Weight: 2 kg/4.4 lb
Item OM-1
Torque (Nm) 35
Torque (in-lb) 310
Size of Output Drive (mm) 🟐 14
Depth of Output Drive (mm) 17
Flange (ISO 5211) F03 / F05
Run Time (sec / 90°) 12
Manual Override Lever
Weight (kg) 2
Weight (lb) 4.4

Enclosure 

  • Polyester powder-coated aluminum alloy.
  • NEMA type 4X, 5, IP66 & IP67, intended for outdoor use.
  • ISO 12944-2 Corrosivity category C3. C4/C5 is optional.

Motor

  • Insulation class F
  • Built-in thermal protector prevents the motor from overheating and burnout.

    Thermal trip temperature: 
    AC motor: 125±5℃ (257±9℉)
    DC motor: 90±5℃ (194±9℉)

Duty Cycle

  • Standard: 30% duty cycle
  • Optional: 75% duty cycle

Position Indication

  • A mechanical position indicator is located on the top of the actuator.

Gear Train

  • High-alloy steel planetary gears are used, and a self-locking function is provided.
  • The gears are lubricated for life with high-temperature grease.

Conduit Entry

  • Standard: 1/2” PS
  • Optional: 1/2” PF, 1/2” NPT, M20

Voltages

  • 12V AC, 12V DC
  • 24V AC/DC multi-voltage
  • 110-120V AC
  • 220-240V AC-1 Phase

Travel Angle

  • Standard: 0° to 90°
  • Optional: up to 270°

Operating Condition

  • Ambient temperature: -30℃ to +65℃ (-22℉ to +149℉)
  • Relative humidity: 30% to 95%
  • CE
  • CSA
  • UKCA

Anti-condensation heater

A space heater can increase the internal temperature and keep dry inside actuator to avoid the freezing lubricant and moisture causing actuator failure under low temperature or high humidity. Heater is not recommended if the ambient temperature is higher than 35℃ (95℉). However, when the temperature varies much from day to night or between summer and winter, heater and thermostat are recommended.

Heater thermostat

The option can switch the heater off when the temperature inside the actuator is over 25±5℃ (77±9℉).

Auxiliary limit switches

The standard model equips with the 1st & 2nd switches for fully-open and fully-closed. The option consists of the 3rd & 4th auxiliary switches which provide dry contacts for fully-open and fully-closed.

Analog Output

Analog output board is a feedback device which provides an analog output relative to position.
Output signal: 0-20mA, 4-20mA, 0-5V, 0-10V, 1-5V, 2-10V

The picture is based on DC 24V

Modulating control

Actuator can be operated according to input signal and provide the output signal for indicator. Input signal : 4-20mA, 1-5V, 2-10V. Output signal : 4-20mA, 2-10V.

OM-1、OM-A、OM-AM
The pictures are based on AC 110/220V

Extended duty cycle kit, (including motor, IEC standard)

The control kits are suggested when duty rating needs to be exteneded.

OM-1、OM-A、OM-AM:75% duty cycle
The pictures are based on AC 110/220V

Potentiometer

The option can be ordered with On/Off actuators.

The selection has 1k or 5k ohm resistance values.

It provides feedback signal for position indicator.

Isolation relay module

when a set of control wire or switch needs to control two or more actuators at the same time, the module is recommended.

OM-1,OM-A,OM-A-M

Communication protocols

Modbus RTU RS485 is available for 110/220VAC,1-PH units.

Local control unit

This option contains LOCAL /REMOTE and CLOSE /OFF /OPEN rotary switches. Under LOCAL control mode, the controlled valves or dampers can be driven to open, stop, or close by CLOSE /OFF /OPEN rotary switch.(Available only for on-off/floating control units)

IP rating: IP65

Optional:IP67, NEMA 4X

Junction box

Wiring can be done through the optional box, without removing the actuators' cover.

Thermal insulation blanket

The combination of quarter-turn electric actuators with a Thermal Insulation Blanket is designed to remove and re-install easily. It makes the actuator run smoothly even in high temperature environment.

Working conditions:

※ Withstand two hours at 250°C (482°F).

※ Withstand one hour at 300°C (572°F).

Available for OM-A, OM-AM, OM-1 to OM-8 on-off/floating units.

Stainless steel enclosure

Available for IP67 (OM-1)、IP68 (OM-2~OM-6、OM-F & OM-G).

Please contact your salesperson if outline drawings of SS316 material are required.